Switch to desktop version  
This forum uses cookies
This forum makes use of cookies to store your login information if you are registered, and your last visit if you are not. Cookies are small text documents stored on your computer; the cookies set by this forum can only be used on this website and pose no security risk. Cookies on this forum also track the specific topics you have read and when you last read them. Please confirm whether you accept or reject these cookies being set.

A cookie will be stored in your browser regardless of choice to prevent you being asked this question again. You will be able to change your cookie settings at any time using the link in the footer.

Welcome back to the VXOC FORUM. Sorry for our lack of support over the last year but MYBB is back and so are we. Let's get the forum buzzing again... (March 25, 2022) x



Thread Rating:
  • 0 Vote(s) - 0 Average
  • 1
  • 2
  • 3
  • 4
  • 5

Tags
module climating start

Climating module start
#1
Hello all.

I am from Romania and for first escuse me for bad english.

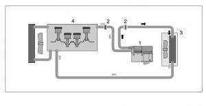
I found this forum searching solutions for my car problem, really it is not a problem but rather a desire, namely: I have a auxiliary heater instalations on my car(Eberspacher Hydronic)aftermarket for cold season. She start on dedicated clock monted on board at a predetermined time or manually by remote control alarm. In my case she is serialized on colant liquid with motor circuit(like in photo).
After start, auxiliary heater have a one wire and generate +12v on this when colant liquid arrived on up to 30°C. This wire is for start climate control for heat interior or defrost windshield.

More info in my picture.

I apreciate any solutions for my problem.

All the best !


Attached Files Thumbnail(s)
               
Reply
#2
(24:th-Nov-2016, 09:11:29)RaduRek Wrote: Hello all.

I am from Romania and for first escuse me for bad english.

I found this forum searching solutions for my car problem, really it is not a problem but rather a desire, namely: I have a auxiliary heater instalations on my car(Eberspacher Hydronic)aftermarket for cold season. She start on dedicated clock monted on board at a predetermined time or manually by remote control alarm. In my case she is serialized on colant liquid with motor circuit(like in photo).
After start, auxiliary heater have a one wire and generate +12v on this when colant liquid arrived on up to 30°C. This wire is for start climate control for heat interior or defrost windshield.

More info in my picture.

I apreciate any solutions for my problem.

All the best !

Problem solved.  Webasto Can module kit 1321695B


Attached Files Thumbnail(s)
           
Reply
#3
Problem solved. Webasto climate module start kit: 1321695B


Attached Files Thumbnail(s)
   
Reply


Possibly Related Threads…
Thread Author Replies Views Last Post
  opel astra j keyless entry and remote start stop onurody 3 10,546 11:th-Sep-2021, 15:57:59
Last Post: SbVampire
Body control module Astra458 1 6,167 9:th-Aug-2019, 07:11:25
Last Post: Rusty2009
  My Stop start hasn't worked for some time fezza37 4 10,196 4:th-Mar-2019, 08:48:53
Last Post: Rusty2009
  Cd 400 blue tooth module Acwashley 1 4,728 8:th-Jan-2019, 16:40:39
Last Post: Rusty2009
  ECO button connector diagram (start/stop) aurega 1 11,044 4:th-Nov-2018, 15:06:37
Last Post: Rusty2009
  Engine Control Module Rusty2009 4 14,086 3:rd-Apr-2014, 07:55:20
Last Post: Rusty2009

Forum Jump:


Users browsing this thread: 1 Guest(s)